云开电子app官方下载为您详细介绍八角垫的RX型垫片!
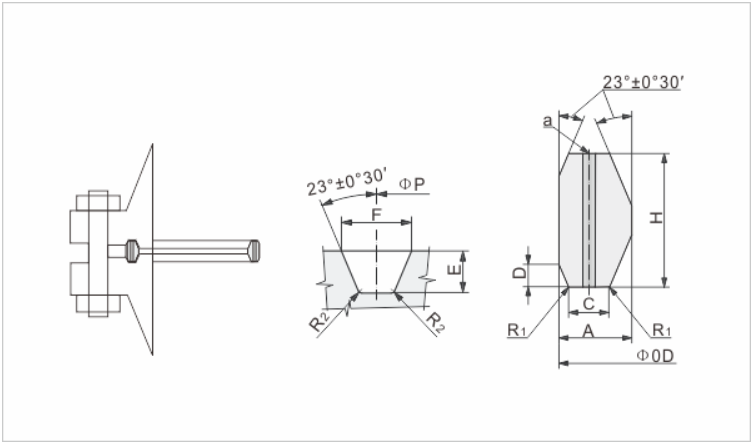
RX型RTJ环垫圈制造符合API 6A和ASME B16.20标准,适合API 6 B和ASME / ANSI B16.5法兰。
RX型是一个压力能量适应的标准R型垫圈。RX型的设计以适应同一个标准的R槽设计,使得接合互换。修改后的设计使用压力能量影响,提高了系统内部压力,增加密封的效率。
压力:2000 - 5000 PSI

公差:(mm)
A *(环的宽度)+ 0.20,-0.000
h(环的高度)+ 0.20,-0.000
外径(外径)+ 0.5,-0.000
23 *(角)1/2°
*宽度公差为0.008英寸。
“A”和高度“H”是允许的,只要宽度或高度的变化在整个圆周上不超过0.004英寸。
注 1:
压力通道孔说明在环式接头截面保证均衡的压力可能会被困在槽,它是在环rx82通过rx91只。孔的中心线应位于“C”


