BX型垫片的介绍

BX型RTJ垫圈制造符合API 6A、6B和ASME b16.20标准,适合API ASME/ANSI B16.5法兰。
样式RX是一个压力能量适应的标准样式R垫片。RX的设计,以适应同一个标准的R R槽设计,使接合互换。修改后的设计采用了压力能量影响。提高密封效率作为系统内部压力增加。
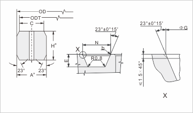
公差:(mm)
A *(环的宽度)+ 0.20,-0.000
*(孔尺寸)±0.5
h(环的高度)+ 0.20,-0.000
外径(外径)0、-0.150
23 *(角)1/4°
注1:环的半径应为8%~12%的环高度H。
一个压力通道孔要求每环中心线*宽度* *和高* H * 0.008inches加公差是允许的。只要宽度或高度的变化在整个圆周上不超过0.004英寸